Colgador visto

U$S2,73

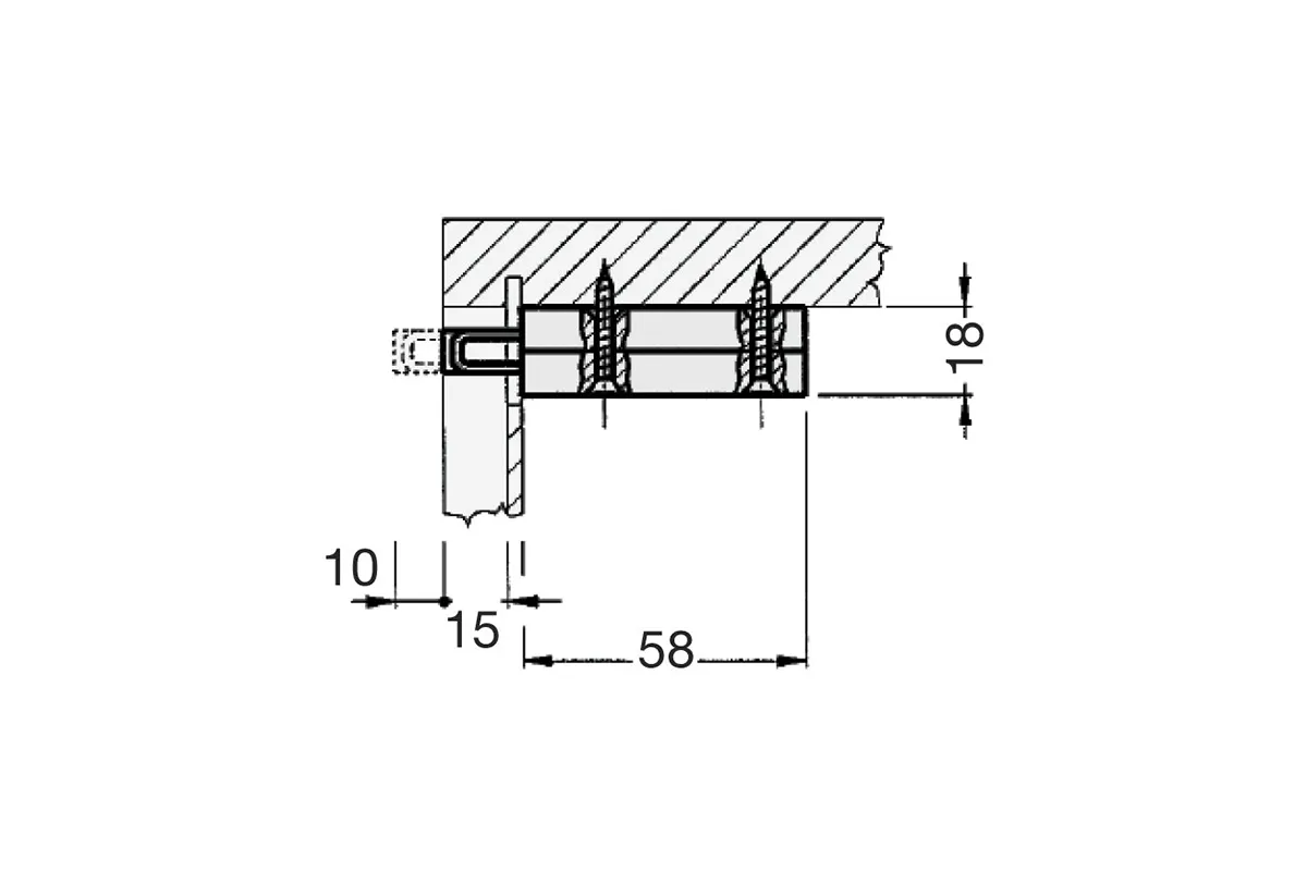
Resistencia hasta 70 kilos
Medidas: Regulación horizontal 25mm y vertical 18mm
Material: Hierro zinc y nylon

Código: CV0047 Categoría:
Hit enter to search or ESC to close